×

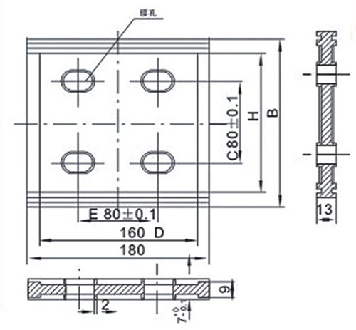
出线口

142.2.jpg

Copyright © 2017 宁波奇国电器科技集团 All Rights Reserved. bottom_icon.png