En
联系我们
关于QIGUO
新闻/事件
产品和服务
研发中心
下载中心
行业应用
技术服务
招纳贤士
×
首页
关于QIGUO
集团简介
董事长致词
组织结构
企业荣誉
发展历程
领导关怀
厂区环境
新闻/事件
行业新闻
公司新闻
媒体报道
产品和服务
研发中心
下载中心
行业应用
技术服务
招纳贤士
联系我们
En
附件介绍
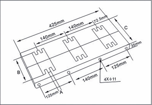
QPMJ-3X3-425/140绝缘母线框
Copyright © 2017 宁波奇国电器科技集团 All Rights Reserved.