×

抽屉后板

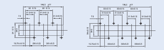
8QL 050 077 (3极) (3 poles)

8QL 050 075 (4极) (4 poles)

30.1.png


Copyright © 2017 宁波奇国电器科技集团 All Rights Reserved. bottom_icon.png